본문 바로가기
주메뉴 바로가기
주메뉴
> 제품소개 > 솔레노이드 >
Push/Pull타입
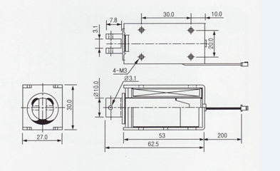
ING-P10-01